維修更換NACHI那智點焊機器人SRA210平衡缸
NACHI那智點焊機器人SRA210平衡缸


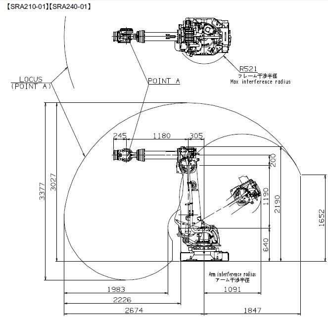
那智機器人SRA210參數:
軸數 :6軸
負載 :210kg
工作范圍 :2654mm
精度 :0.15mm
安裝方式 :落地
本體重量 :1090kg

那智機器人SRA210特點:
SRA 系列機器人專為快節奏的汽車行業設計,可大幅縮短周期時間、顯著提高生產率并降低成本;用于點焊設施內部裝飾的新型空心臂系列為設施管線(冷卻水、焊接電源、信號、伺服槍電纜)提供了額外的保護并減少了應力;壓力校準多達 10 點,通過點焊范圍實現更精確的壓力。
Tags:
